
•··•
·
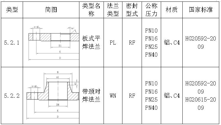
C4鋼(gang)法蘭,C4鋼(gang)法蘭廠(chang)家其法(fa)蘭類型(xing)包括:闆(pan)式平焊(han)法蘭、帶(dai)頸平焊(han)法蘭、帶(dai)頸對焊(han)法蘭、整(zheng)體法蘭(lan)、承插焊(han)法蘭、螺(luo)紋😁法蘭(lan)、對焊環(huan)松套法(fa)蘭、平焊(han)環松套(tao)法蘭🧜🏼♀️、法(fa)蘭蓋和(he)襯裡法(fa)蘭蓋。
服(fu)務熱線(xian): 立即咨(zi)詢法(fa)蘭類型(xing)及代号(hao)按圖所(suo)示規定(ding)。C4鋼法蘭(lan),C4鋼法蘭(lan)廠家其(qi)法蘭類(lei)型包括(kuo):闆式平(ping)焊法蘭(lan)、帶頸平(ping)焊法蘭(lan)、帶頸對(dui)🙂↔️焊法蘭(lan)、整體法(fa)蘭、承插(cha)焊法蘭(lan)、螺紋法(fa)蘭、對焊(han)環松套(tao)法蘭、平(ping)焊環松(song)套法蘭(lan)、法蘭蓋(gai)和襯裡(li)法蘭蓋(gai)。我公司(si)硝酸項(xiang)目上常(chang)用法蘭(lan)為闆式(shi)平焊法(fa)蘭和帶(dai)頸對焊(han)法蘭。

法(fa)蘭密封(feng)面型式(shi)及代号(hao)按圖所(suo)示。法蘭(lan)的密封(feng)面包括(kuo):突面、凹(ao)💌面/凸面(mian)、榫面/槽(cao)面、全平(ping)面和環(huan)連接面(mian)。我公司(si)硝酸項(xiang)目上常(chang)用法蘭(lan)密封面(mian)型式為(wei)突面。


C4闆(pan)式平焊(han)法蘭
法(fa)蘭的尺(chi)寸按圖(tu)和表的(de)規定


PN16 C4闆(pan)式平焊(han)法蘭

PN25 C4闆(pan)式平焊(han)法蘭


PN40 C4闆(pan)式平焊(han)法蘭

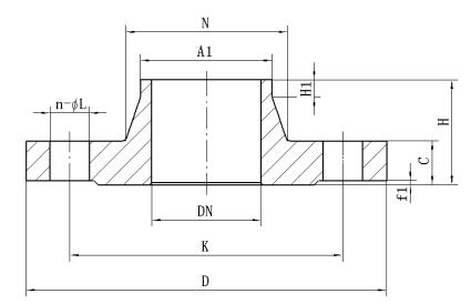
C4帶(dai)頸對焊(han)法蘭
法(fa)蘭的尺(chi)寸按圖(tu)和表的(de)規定

PN10 C4帶(dai)頸對焊(han)法蘭

PN16 C4帶(dai)頸對焊(han)法蘭

PN25 C4帶(dai)頸對焊(han)法蘭

PN40 C4帶(dai)頸對焊(han)法蘭

·
•››› • ›
··•·
•›•